Persistent COR and gauge problems, 20V swap
Persistent COR and gauge problems, 20V swap
So I'm going to make this as clear as I can, as I've asked this question in the past and it really hasn't gotten anywhere. I also intend to make this thread into a resource for people having this issue in the future.
So after having installed my 20V into my car, I have not been able to get my tachometer or oil pressure gauge to work consistently. The tach will climb (sometimes) to 2-3k then immediately drop off if I rev above that, and the oil pressure gauge simply doesn't work. I should note that the speedo also shows instability (needle wavers) below 30 km/h.
On top of this issue (and I believe a much bigger problem) is that the ECU power signal seems insufficient to operate the COR after startup. Key on, fuel pump and ECU connected to COR, the engine will sometimes start but will immediately die, and the COR will buzz. Since this has persisted after many attempts to diagnose and fix the issue, I'm powering the pump off a key-on powerfeed, which is really unsafe but does work.
So here's whet I've done to diagnose and address each issue:
Tach and oil pressure
- New oil pressure sensor
- New igniter
- New coil
- Different dash (can't confirm this one is good though)
- Test for continuity and resistance for ground on dash
COR:
- New COR (About 3 tried)
- test for continuity, resistance
And just so there isn't any misunderstandings, my setup:
- 20V silvertop with manual blacktop ECU
- Kouki body/dash/donor engine harness
- Batch fire setup yaris COP's
- backyard wiring harness, running for over a year on it with no serious issues as a daily
As it stands I honestly can't find the cause of these issues. The gauge issue seems to be a bad ground, but everything looks clean (I'll hit it again this Saturday if I have time). Same goes for the COR, the only thing I haven't tested there is the ECU output voltage. If anyone knows what that would be, let me know.
Sent from my OnePlus
So after having installed my 20V into my car, I have not been able to get my tachometer or oil pressure gauge to work consistently. The tach will climb (sometimes) to 2-3k then immediately drop off if I rev above that, and the oil pressure gauge simply doesn't work. I should note that the speedo also shows instability (needle wavers) below 30 km/h.
On top of this issue (and I believe a much bigger problem) is that the ECU power signal seems insufficient to operate the COR after startup. Key on, fuel pump and ECU connected to COR, the engine will sometimes start but will immediately die, and the COR will buzz. Since this has persisted after many attempts to diagnose and fix the issue, I'm powering the pump off a key-on powerfeed, which is really unsafe but does work.
So here's whet I've done to diagnose and address each issue:
Tach and oil pressure
- New oil pressure sensor
- New igniter
- New coil
- Different dash (can't confirm this one is good though)
- Test for continuity and resistance for ground on dash
COR:
- New COR (About 3 tried)
- test for continuity, resistance
And just so there isn't any misunderstandings, my setup:
- 20V silvertop with manual blacktop ECU
- Kouki body/dash/donor engine harness
- Batch fire setup yaris COP's
- backyard wiring harness, running for over a year on it with no serious issues as a daily
As it stands I honestly can't find the cause of these issues. The gauge issue seems to be a bad ground, but everything looks clean (I'll hit it again this Saturday if I have time). Same goes for the COR, the only thing I haven't tested there is the ECU output voltage. If anyone knows what that would be, let me know.
Sent from my OnePlus
1984 SR5-GTS 20V ST/BT coupe.
- Stance GR+ Coilovers
- Mishimoto Cooling
- T3 adjustable 4-bar, Panhard, traction brackets, tension rods
- T3 Short shift
- Manual rack conversion
- Blacktop electronics
- Stance GR+ Coilovers
- Mishimoto Cooling
- T3 adjustable 4-bar, Panhard, traction brackets, tension rods
- T3 Short shift
- Manual rack conversion
- Blacktop electronics
Re: Persistent COR and gauge problems, 20V swap
The AE86 factory tacho uses a voltage spike picked up from the coil
negative terminal. It may be processed thru the igniter, but it is the
same signal. So you either need to tap into the coil negative wire or
check that the igniter "tacho" signal is spiking to at least 30 volts.
The OEM oil pressure gauge justs runs 12V thru the gauge to the sensor
and thru the sensor to ground. The sensor is a special "odd ball" type
that Toyota uses, and you have to get the exact type. Generic sensors
from other gauges will not work.
The speedo is a purely mechanical device, and if the reading is not
stable it is most likely due to wear in the gears or cable. Try lubing the
cable and check that it turns easily by hand.
The COR is switched to ground by the flap inside the AFM moving
when air is drawn in by the engine cranking. Often the kind of problem
you are having can be traced to a bad ground from the AFM. You can
short the FP test plug and see if the engine starts and runs OK. If it does,
then check the AFM flap is moving freely and check the AFM ground.
Cheers... jondee86
negative terminal. It may be processed thru the igniter, but it is the
same signal. So you either need to tap into the coil negative wire or
check that the igniter "tacho" signal is spiking to at least 30 volts.
The OEM oil pressure gauge justs runs 12V thru the gauge to the sensor
and thru the sensor to ground. The sensor is a special "odd ball" type
that Toyota uses, and you have to get the exact type. Generic sensors
from other gauges will not work.
The speedo is a purely mechanical device, and if the reading is not
stable it is most likely due to wear in the gears or cable. Try lubing the
cable and check that it turns easily by hand.
The COR is switched to ground by the flap inside the AFM moving
when air is drawn in by the engine cranking. Often the kind of problem
you are having can be traced to a bad ground from the AFM. You can
short the FP test plug and see if the engine starts and runs OK. If it does,
then check the AFM flap is moving freely and check the AFM ground.
Cheers... jondee86
The reasonable man adapts himself to the world; the unreasonable one
persists in trying to adapt the world to himself. Therefore, all progress
depends on the unreasonable man.
persists in trying to adapt the world to himself. Therefore, all progress
depends on the unreasonable man.
Re: Persistent COR and gauge problems, 20V swap
I have been considering running of a COP for the signal but I haven't t tied that. I don't believe, however, that the issue lies in there. I believe it's within the dash.
The oil pressure sensor I'm using is a stock 4AGE one, including the replacement gauge.
The speedo is probably just a minor, unrelated issue. Past crawling speeds (20k) it's perfectly fine.
Since I'm running a blacktop ECU, there is no AFM to run the COR, instead it runs off the ECU signal
Sent from my OnePlus
The oil pressure sensor I'm using is a stock 4AGE one, including the replacement gauge.
The speedo is probably just a minor, unrelated issue. Past crawling speeds (20k) it's perfectly fine.
Since I'm running a blacktop ECU, there is no AFM to run the COR, instead it runs off the ECU signal
Sent from my OnePlus
1984 SR5-GTS 20V ST/BT coupe.
- Stance GR+ Coilovers
- Mishimoto Cooling
- T3 adjustable 4-bar, Panhard, traction brackets, tension rods
- T3 Short shift
- Manual rack conversion
- Blacktop electronics
- Stance GR+ Coilovers
- Mishimoto Cooling
- T3 adjustable 4-bar, Panhard, traction brackets, tension rods
- T3 Short shift
- Manual rack conversion
- Blacktop electronics
Re: Persistent COR and gauge problems, 20V swap
You cannot get the tach signal from the COP's. It has to be from the factory ignitor/coil or take the COP signal and run it through a MSD converter.
If your using a stock toyota 4age oil pressure sensor then it is either a bad wire to the cluster or the actual sender is bad. That would one should be an easy fix.
If your using a stock toyota 4age oil pressure sensor then it is either a bad wire to the cluster or the actual sender is bad. That would one should be an easy fix.
Re: Persistent COR and gauge problems, 20V swap
I'm putting a pin in the OPS problem as it may be harness related. Wire is good, but the dash may be grounding improperly, uncertain.
And I should know better about the tach signal, that was me being thick. You are correct, COP will not run it
Sent from my OnePlus
And I should know better about the tach signal, that was me being thick. You are correct, COP will not run it
Sent from my OnePlus
1984 SR5-GTS 20V ST/BT coupe.
- Stance GR+ Coilovers
- Mishimoto Cooling
- T3 adjustable 4-bar, Panhard, traction brackets, tension rods
- T3 Short shift
- Manual rack conversion
- Blacktop electronics
- Stance GR+ Coilovers
- Mishimoto Cooling
- T3 adjustable 4-bar, Panhard, traction brackets, tension rods
- T3 Short shift
- Manual rack conversion
- Blacktop electronics
Re: Persistent COR and gauge problems, 20V swap
Army Fork wrote:Since I'm running a blacktop ECU, there is no AFM to run the COR, instead it runs off the ECU signal
My bad... I was thinking AE86. So, while I don't have an an AE111 wiring diagram
for reference, I think that it is unlikely that the ECU actually supplies 12V to the COR.
Usual setup is 12V from the starter circuit to power the first coil, and then 12V from
the EFI relay to power the second coil while the engine is running. The ECU most
likely supplies a ground, and can remove the ground to stop the FP in case of trouble.
Did you use thread tape on the new oil pressure sensor ?
Cheers... jondee86
The reasonable man adapts himself to the world; the unreasonable one
persists in trying to adapt the world to himself. Therefore, all progress
depends on the unreasonable man.
persists in trying to adapt the world to himself. Therefore, all progress
depends on the unreasonable man.
Re: Persistent COR and gauge problems, 20V swap
I'm of the same opinion in regards to the COR, which means that my wiring guide may have been incorrect. I'll run a line on the ECU in a bit and see what the signal is out of it, probably learn more from that.
Yeah I did, never considered it would block the sensor though. I'll check it out, to be clear though this isn't a brand new sensor, just a different one
Sent from my OnePlus
Yeah I did, never considered it would block the sensor though. I'll check it out, to be clear though this isn't a brand new sensor, just a different one
Sent from my OnePlus
1984 SR5-GTS 20V ST/BT coupe.
- Stance GR+ Coilovers
- Mishimoto Cooling
- T3 adjustable 4-bar, Panhard, traction brackets, tension rods
- T3 Short shift
- Manual rack conversion
- Blacktop electronics
- Stance GR+ Coilovers
- Mishimoto Cooling
- T3 adjustable 4-bar, Panhard, traction brackets, tension rods
- T3 Short shift
- Manual rack conversion
- Blacktop electronics
Re: Persistent COR and gauge problems, 20V swap
Army Fork wrote:Yeah I did, never considered it would block the sensor though.
It's a sigle wire sensor so it needs to ground to the block. Thread tape
can be enough to stop it grounding. Try re-installing without tape.
Cheers... jondee86
The reasonable man adapts himself to the world; the unreasonable one
persists in trying to adapt the world to himself. Therefore, all progress
depends on the unreasonable man.
persists in trying to adapt the world to himself. Therefore, all progress
depends on the unreasonable man.
Re: Persistent COR and gauge problems, 20V swap
I honestly never thought of that. Is it NPT? Can't remember, curious if it'll still leak. Guess I could always track down thread sealant
Sent from my OnePlus
Sent from my OnePlus
1984 SR5-GTS 20V ST/BT coupe.
- Stance GR+ Coilovers
- Mishimoto Cooling
- T3 adjustable 4-bar, Panhard, traction brackets, tension rods
- T3 Short shift
- Manual rack conversion
- Blacktop electronics
- Stance GR+ Coilovers
- Mishimoto Cooling
- T3 adjustable 4-bar, Panhard, traction brackets, tension rods
- T3 Short shift
- Manual rack conversion
- Blacktop electronics
Re: Persistent COR and gauge problems, 20V swap
for the oil pressure problem-are you using the old sensor from the 16v OR the 20v sensor? the 20v sensor will not work with the cluster, its a "dummy light' not a gauge.
the tach problem-the stock tack will work fine using the 20v igniter, when wired up properly. you need the 20v coil and igniter connected to the harness tho. see here for proper wiring. the tach wire from the igniter goes thru the large firewall plug above the head. http://img69.imageshack.us/img69/1424/2 ... 86cops.jpg
the COR, how did you wire it up from the ecu? it should be like this, pin#5 on underdash plug to FC plug on ecu.

photo hosting sites
have you read thru the DIY thread? theres a bunch of connector pics and other stuff that might come in handy. let me know how you fare with the above. not to give you a hard time, but "backyard" harnesses aren't the most reliable, im speaking from making my own. ive had to go back thru and fix a few wires; breaks, bad soldering, etc.
the tach problem-the stock tack will work fine using the 20v igniter, when wired up properly. you need the 20v coil and igniter connected to the harness tho. see here for proper wiring. the tach wire from the igniter goes thru the large firewall plug above the head. http://img69.imageshack.us/img69/1424/2 ... 86cops.jpg
the COR, how did you wire it up from the ecu? it should be like this, pin#5 on underdash plug to FC plug on ecu.

photo hosting sites
have you read thru the DIY thread? theres a bunch of connector pics and other stuff that might come in handy. let me know how you fare with the above. not to give you a hard time, but "backyard" harnesses aren't the most reliable, im speaking from making my own. ive had to go back thru and fix a few wires; breaks, bad soldering, etc.
haha cali...i got one of your 86's and you're not getting it back.
My turd of an 86
20v swapped 86 write-up
My turd of an 86
20v swapped 86 write-up
Re: Persistent COR and gauge problems, 20V swap
16V oil sensor, I know the 20V is basically useless.
I've wired the tach according to a similar diagram, but I use 4-wire Denso COP's. Same setup in the end.
I am running FC to this plug.
I have run through the DIY thread dozens of times, this is actually my third iteration of a harness. It actually turned out to be pretty great, except for these few issues.
I'll be working on the car this weekend, hopefully I can sort out some of these issues then
Sent from my OnePlus
I've wired the tach according to a similar diagram, but I use 4-wire Denso COP's. Same setup in the end.
I am running FC to this plug.
I have run through the DIY thread dozens of times, this is actually my third iteration of a harness. It actually turned out to be pretty great, except for these few issues.
I'll be working on the car this weekend, hopefully I can sort out some of these issues then
Sent from my OnePlus
1984 SR5-GTS 20V ST/BT coupe.
- Stance GR+ Coilovers
- Mishimoto Cooling
- T3 adjustable 4-bar, Panhard, traction brackets, tension rods
- T3 Short shift
- Manual rack conversion
- Blacktop electronics
- Stance GR+ Coilovers
- Mishimoto Cooling
- T3 adjustable 4-bar, Panhard, traction brackets, tension rods
- T3 Short shift
- Manual rack conversion
- Blacktop electronics
Re: Persistent COR and gauge problems, 20V swap
I don't know about the US cars but the Euro and Jap cars have a Green and Red wire that comes out of the COR and the ecu grounds this wire via the pin FC.
Also the +B supply for the ecu comes from the engine bay relay box through the engine harness and into the passenger side junction box, if you don't have this you probably are only switching the COR on when cranking the starter.
On the RHD cars the 5 wires in the COR are (the COR has 2 relay coils inside, 1 that's latched when cranking and the other latched once the ecu reads an RPM greater than cranking speed)
Black and White: Starter solenoid signal
White and Black: Earth for the starting relay coil
Black and Red: +B supply for engine running relay coil
Green and Red: Ecu controlled ground for engine running relay coil
Blue and Black: Switched fuel pump power supply
Also the +B supply for the ecu comes from the engine bay relay box through the engine harness and into the passenger side junction box, if you don't have this you probably are only switching the COR on when cranking the starter.
On the RHD cars the 5 wires in the COR are (the COR has 2 relay coils inside, 1 that's latched when cranking and the other latched once the ecu reads an RPM greater than cranking speed)
Black and White: Starter solenoid signal
White and Black: Earth for the starting relay coil
Black and Red: +B supply for engine running relay coil
Green and Red: Ecu controlled ground for engine running relay coil
Blue and Black: Switched fuel pump power supply
Re: Persistent COR and gauge problems, 20V swap
I'll be taking a look at the relay soon, in the meantime....
Oil pressure sensor did not have threadtape on it, and is reading continuity up to the firewall plug. Don't really fancy taking my dash out and testing it the rest of the way just yet.
Haven't touched the COR yet, working my way to it. Testing a cheapo aftermarket tach in the meantime
Sent from my OnePlus
Oil pressure sensor did not have threadtape on it, and is reading continuity up to the firewall plug. Don't really fancy taking my dash out and testing it the rest of the way just yet.
Haven't touched the COR yet, working my way to it. Testing a cheapo aftermarket tach in the meantime
Sent from my OnePlus
1984 SR5-GTS 20V ST/BT coupe.
- Stance GR+ Coilovers
- Mishimoto Cooling
- T3 adjustable 4-bar, Panhard, traction brackets, tension rods
- T3 Short shift
- Manual rack conversion
- Blacktop electronics
- Stance GR+ Coilovers
- Mishimoto Cooling
- T3 adjustable 4-bar, Panhard, traction brackets, tension rods
- T3 Short shift
- Manual rack conversion
- Blacktop electronics
Re: Persistent COR and gauge problems, 20V swap
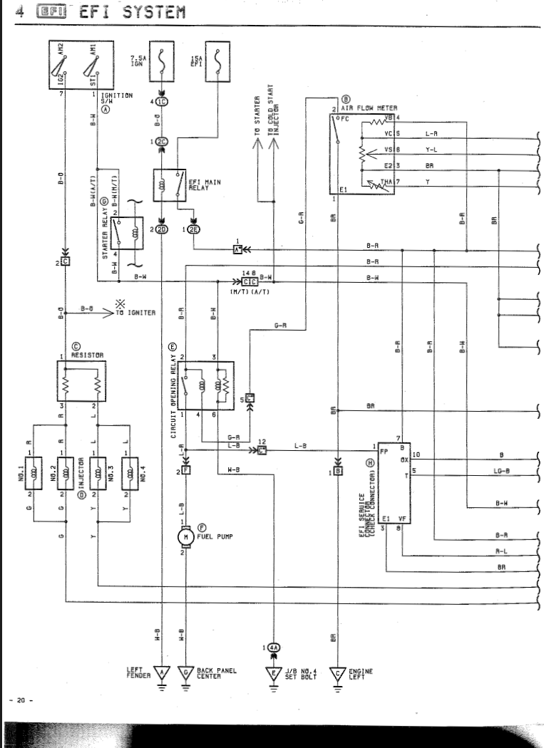
I've attached the two pages from the Parrot USDM electrical service manual.
So it's obvious not that I was wrong about the ECU providing power, which should really have been obvious. What isn't though is why the relay isn't working, any ideas? If I connect up the pump back to the relay, the car will crank but won't start and the relay will buzz after I stop cranking.
So it's obvious not that I was wrong about the ECU providing power, which should really have been obvious. What isn't though is why the relay isn't working, any ideas? If I connect up the pump back to the relay, the car will crank but won't start and the relay will buzz after I stop cranking.
1984 SR5-GTS 20V ST/BT coupe.
- Stance GR+ Coilovers
- Mishimoto Cooling
- T3 adjustable 4-bar, Panhard, traction brackets, tension rods
- T3 Short shift
- Manual rack conversion
- Blacktop electronics
- Stance GR+ Coilovers
- Mishimoto Cooling
- T3 adjustable 4-bar, Panhard, traction brackets, tension rods
- T3 Short shift
- Manual rack conversion
- Blacktop electronics
Re: Persistent COR and gauge problems, 20V swap
My mistake, the diagram does show the line being supplied by the ECU, but also crossed with a B+ supply from the C*? Am I going mad?
1984 SR5-GTS 20V ST/BT coupe.
- Stance GR+ Coilovers
- Mishimoto Cooling
- T3 adjustable 4-bar, Panhard, traction brackets, tension rods
- T3 Short shift
- Manual rack conversion
- Blacktop electronics
- Stance GR+ Coilovers
- Mishimoto Cooling
- T3 adjustable 4-bar, Panhard, traction brackets, tension rods
- T3 Short shift
- Manual rack conversion
- Blacktop electronics
Re: Persistent COR and gauge problems, 20V swap
So I tested out the tach and it looks like the issue is in the harness I've built, so at some point I'll have to go at it again with my DMM and try to find the issue, so that's one down.
No idea about the sensor, not certain what's happening there.
And no progress on the COR today
Sent from my OnePlus
No idea about the sensor, not certain what's happening there.
And no progress on the COR today
Sent from my OnePlus
1984 SR5-GTS 20V ST/BT coupe.
- Stance GR+ Coilovers
- Mishimoto Cooling
- T3 adjustable 4-bar, Panhard, traction brackets, tension rods
- T3 Short shift
- Manual rack conversion
- Blacktop electronics
- Stance GR+ Coilovers
- Mishimoto Cooling
- T3 adjustable 4-bar, Panhard, traction brackets, tension rods
- T3 Short shift
- Manual rack conversion
- Blacktop electronics
Re: Persistent COR and gauge problems, 20V swap
The only reason I can think of why your COR would be buzzing is that you
have a high resistance connection on the battery side of the RUN coil. You
need to check the supply voltage at the RUN coil when the engine is trying
to start. You will probably see 12V prior to hitting the key, but as soon as
the engine is spinning the voltage will drop to maybe 4-5V... if this theory
is correct
And if the voltage is not high enough to latch the relay, the engine dies.
Cheers... jondee86
have a high resistance connection on the battery side of the RUN coil. You
need to check the supply voltage at the RUN coil when the engine is trying
to start. You will probably see 12V prior to hitting the key, but as soon as
the engine is spinning the voltage will drop to maybe 4-5V... if this theory
is correct
And if the voltage is not high enough to latch the relay, the engine dies.
Cheers... jondee86
The reasonable man adapts himself to the world; the unreasonable one
persists in trying to adapt the world to himself. Therefore, all progress
depends on the unreasonable man.
persists in trying to adapt the world to himself. Therefore, all progress
depends on the unreasonable man.
Re: Persistent COR and gauge problems, 20V swap
Sounds about correct, I'll set up my DMM and give it a go. If that's the case then I'm gonna be chasing wires
Sent from my OnePlus
Sent from my OnePlus
1984 SR5-GTS 20V ST/BT coupe.
- Stance GR+ Coilovers
- Mishimoto Cooling
- T3 adjustable 4-bar, Panhard, traction brackets, tension rods
- T3 Short shift
- Manual rack conversion
- Blacktop electronics
- Stance GR+ Coilovers
- Mishimoto Cooling
- T3 adjustable 4-bar, Panhard, traction brackets, tension rods
- T3 Short shift
- Manual rack conversion
- Blacktop electronics
Re: Persistent COR and gauge problems, 20V swap
Sorry for the late update, but I've finally gotten the dash off for an HVAC repair so I thought I'd work on the COR.
First some good news, the relay works between pins 3-6. That's the only good news.
The bad news is that between pins 1-2, which actually run the relay, there's no voltage on crank. Consulting the wiring diagram, I can say that it's supposed to be fed via the EFI relay in the engine bay, which is working and shows voltage across its fuse. Question now is, where is the break in the system? I'm tempted to completely remove the dash and find out (The dash itself is still in the car, I only removed the plastics).
Thoughts are welcome
Sent from my OnePlus
First some good news, the relay works between pins 3-6. That's the only good news.
The bad news is that between pins 1-2, which actually run the relay, there's no voltage on crank. Consulting the wiring diagram, I can say that it's supposed to be fed via the EFI relay in the engine bay, which is working and shows voltage across its fuse. Question now is, where is the break in the system? I'm tempted to completely remove the dash and find out (The dash itself is still in the car, I only removed the plastics).
Thoughts are welcome
Sent from my OnePlus
1984 SR5-GTS 20V ST/BT coupe.
- Stance GR+ Coilovers
- Mishimoto Cooling
- T3 adjustable 4-bar, Panhard, traction brackets, tension rods
- T3 Short shift
- Manual rack conversion
- Blacktop electronics
- Stance GR+ Coilovers
- Mishimoto Cooling
- T3 adjustable 4-bar, Panhard, traction brackets, tension rods
- T3 Short shift
- Manual rack conversion
- Blacktop electronics
Re: Persistent COR and gauge problems, 20V swap
For the oil pressure sender, test the gauge in the cluster by unhooking the wire from the sensor(shows an open to the gauge). The needle should peg low. Then take the same wire and ground it (Just tough the end to the chassis somewhere. Shows a short). The gauge needle should peg high. That will at least tell you if the gauge is working properly and that the wire run from the sensor to the cluster is in tact. You won't hurt anything.
Re: Persistent COR and gauge problems, 20V swap
shagymc wrote:For the oil pressure sender, test the gauge in the cluster by unhooking the wire from the sensor(shows an open to the gauge). The needle should peg low. Then take the same wire and ground it (Just tough the end to the chassis somewhere. Shows a short). The gauge needle should peg high. That will at least tell you if the gauge is working properly and that the wire run from the sensor to the cluster is in tact. You won't hurt anything.
Cool, I'll give it a go tomorrow. Thanks
Sent from my OnePlus
1984 SR5-GTS 20V ST/BT coupe.
- Stance GR+ Coilovers
- Mishimoto Cooling
- T3 adjustable 4-bar, Panhard, traction brackets, tension rods
- T3 Short shift
- Manual rack conversion
- Blacktop electronics
- Stance GR+ Coilovers
- Mishimoto Cooling
- T3 adjustable 4-bar, Panhard, traction brackets, tension rods
- T3 Short shift
- Manual rack conversion
- Blacktop electronics
Re: Persistent COR and gauge problems, 20V swap
So unfortunately the test didn't really tell me much, I grounded out the sensor and I got zero on my dashes, as I have two in my garage.
At this point I think that the harness may have been damaged when I did the swap from a GTS to an SR5, so there's a lot of work I need to do that will have to wait, as I've pretty much run out of time to use this garage this weekend. Hopefully I can have another go next weekend
Sent from my OnePlus
At this point I think that the harness may have been damaged when I did the swap from a GTS to an SR5, so there's a lot of work I need to do that will have to wait, as I've pretty much run out of time to use this garage this weekend. Hopefully I can have another go next weekend
Sent from my OnePlus
1984 SR5-GTS 20V ST/BT coupe.
- Stance GR+ Coilovers
- Mishimoto Cooling
- T3 adjustable 4-bar, Panhard, traction brackets, tension rods
- T3 Short shift
- Manual rack conversion
- Blacktop electronics
- Stance GR+ Coilovers
- Mishimoto Cooling
- T3 adjustable 4-bar, Panhard, traction brackets, tension rods
- T3 Short shift
- Manual rack conversion
- Blacktop electronics
