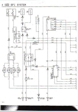
ECU Terminal Diagram
USA AE86 16V 4A-GE
Submitted By Richard White
4A-GE Electronic Control Unit (ECU), 8408~8708 Corolla GTS US Market, Toyota P/N 89661-12092-84
Per Electrical Manual (E21 and E2 incorrect in the Factory USA electrical
manual)



Factory Repair Manual, pins listed correctly.
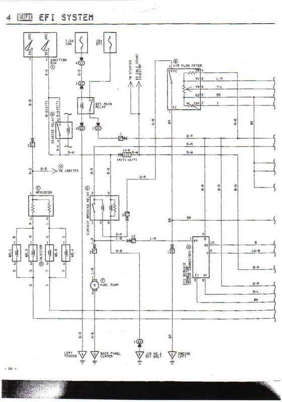
V Connector
|
Pin No. |
Symbol |
Color |
Terminal |
|
1 |
|
|
|
|
2 |
VF |
R-L |
Check connector |
|
3 |
ST (STA) |
B-W |
Starter switch |
|
4 |
No. 10 |
Y |
No. 3, 4 injector |
|
5 |
E01 |
BR |
Engine ground (Power) |
|
6 |
VSV-(S/TH) |
R-W |
Vacuum switching valve (S/TH) |
|
7 |
E1 |
BR |
Engine ground |
|
8 |
IGT |
B |
Igniter |
|
9 |
No. 20 |
G |
No. 1, 2 injector |
|
10 |
E02 |
BR |
Engine ground (Power) |
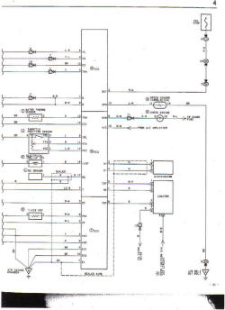
U Connector
|
Pin No. |
Symbol |
Color |
Terminal |
|
1 |
NE |
R |
Engine revolution sensor |
|
2 |
|
|
|
|
3 |
G+ |
B |
Engine revolution sensor |
|
4 |
G- |
W |
Engine revolution sensor |
|
5 |
IGF |
B-Y |
Igniter |
|
6 |
IDL |
L |
Throttle sensor |
|
7 |
T |
LG-B |
Check connector |
|
8 |
WAN |
G-W |
Warning light |
|
9 |
|
|
|
|
10 |
THW |
G |
Water temp. sensor |
|
11 |
VTA |
R |
Throttle sensor |
|
12 |
VCC |
L-R |
Throttle sensor |
|
13 |
OX |
B |
Oxygen sensor |
|
14 |
E21 |
BR |
Sensor Earth |
|
15 |
A/C |
B-W |
A/C Magnet clutch |
|
16 |
|
|
|
|
17 |
|
|
|
|
18 |
I/UP (VISC) |
B |
Vacuum switching valve [Idle up] |
T Connector
|
Pin No. |
Symbol |
Color |
Terminal |
|
1 |
+B1 |
B-R |
Main relay |
|
2 |
BaTT |
R-W |
Battery |
|
3 |
THA |
Y |
Inlet air temp. sensor |
|
4 |
VS |
Y-L |
Air flow meter |
|
5 |
VC |
L-R |
Air flow meter |
|
6 |
|
|
|
|
7 |
|
|
|
|
8 |
+B |
B-R |
Main relay |
|
9 |
|
|
|
|
10 |
SPD |
L-W |
Speedometer |
|
11 |
|
|
|
|
12 |
E2 |
B-R |
Sensor earth |
|
13 |
|
|
|
|
14 |
|
|
|
Source: 1985 Toyota Corolla FR Repair Manual