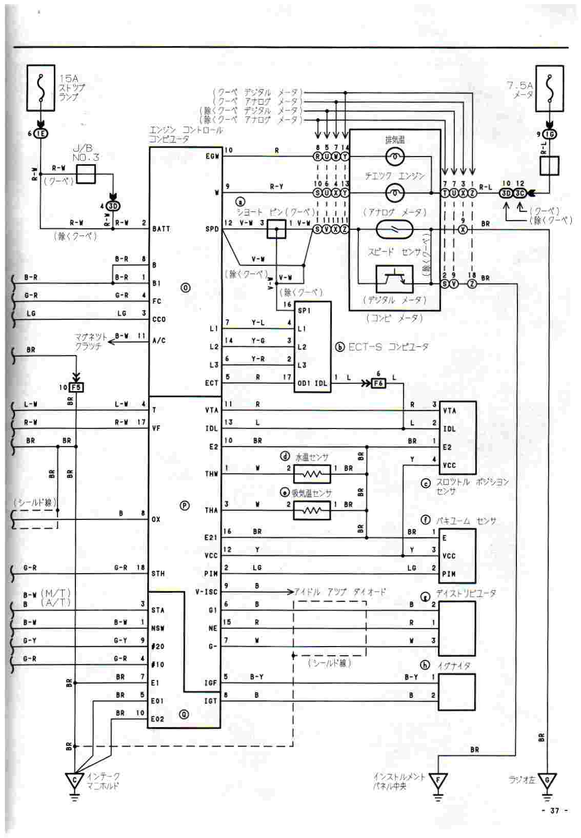
ECU Terminal Connections
Japan AE92 4A-GE TVIS (1988-1989)
|
ECU Connections AE92 1988-1989 Japan Spec |
|||
|
Socket A (Yellow 14 pin) |
|||
| Pin # | Color | Label (ECU) | Connection |
| 1 | B-R | B1 | EFI Main |
| 2 | R-W | Batt | BATT |
| 3 | Blu-G | CCO | Exhaust Temp Sensor |
| 4 | G-R | FC | Curcuit Opening relay(fuel) |
| 5 | R | ECT | ECT-S (Suspension Control) |
| 6 | Y-R | L3 | ECT-S (Suspension Control) |
| 7 | Y-Blu | L1 | ECT-S (Suspension Control) |
| 8 | B-R | B | EFI Main |
| 9 | R-Y | W | Check Engine Lamp |
| 10 | R | EGW | Exhaust Temp Warn. Lamp |
| 11 | B-W | A/C | Air Conditioner clutch |
| 12 | V-W | SPD | Speed Sensor (instrument panel) |
| 13 | not used | ||
| 14 | Y-G | L2 | ECT-S (Suspension Control) |
|
Socket B (18pin Yellow) |
|||
| Pin # | Color | Label (ECU) | Connection |
| 1 | W | THW | Water Temp Sensor |
| 2 | Blu-G | PIM | Vaccuum Sensor |
| 3 | W | THA | Intake Temp Sensor |
| 4 | G-R | #10 | 1/3 Injectors |
| 5 | B-Y | IGF | Ignitor |
| 6 | B | G1 | Distributor |
| 7 | W | G- | Distributor |
| 8 | B | OX | O2 sensor |
| 9 | B | V-ISC | Idle Up Diode |
| 10 | BR | E2 | Throttle Position Sensor |
| 11 | R | VTA | Throttle Position Sensor |
| 12 | Y | VCC | Vaccuum Sensor |
| 13 | Blu | IDL | Throttle Position Sensor |
| 14 | not used | ||
| 15 | R | NE | Distributor |
| 16 | BR | E21 | Vaccuum Sensor |
| 17 | R-W | VF | Diagnosis Connctor |
| 18 | G-R | STH | VSV TVIS |
|
Socket C (10 pin Yellow) |
|||
| Pin # | Color | Label (ECU) | Connection |
| 1 | B-W | NSW | Neutral Start Switch |
| 2 | not used | ||
| 3 | B-W | STA | Starter |
| 4 | G-R | #10 | Injector #1,#3 |
| 5 | BR | E01 | Ground |
| 6 | not used | ||
| 7 | BR | E1 | Ground |
| 8 | B | IGT | Ignitor |
| 9 | G-Y | #20 | injector #2,#4 |
| 10 | BR | E02 | Ground |